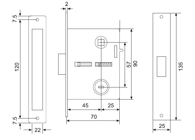
表面處理:拉絲鉻
主要材料:冷軋鋼板
適用范圍:木質房門
主要功能:鎖定門扇
特性:開啟順滑、牢固、耐用
1、獨特半弧形斜活舌設計。
2、整體內結構零配件采用SUS304精密、精鑄,保障了恒久耐用的特性。
3、簡單的斜活舌換向制,只須撥動此換向制,就能改變內外門的開啟方向。(調換到合適的方向后,用把手插入鎖體方孔,用正確方向轉動把手,就能恢復原效果。)